拉曼探頭

拉曼探頭

GIE-LAMAN-PROBE

拉曼探頭是針對532nm,785nm,830nm,1064nm等雷射拉曼光譜應用而設計的探頭。通過與半導體雷射器和光譜儀配合使用,實現拉曼光譜測量應用。通過配備不同的樣品支架,可以針對形態為固體、液體或粉末狀的樣品進行量測。OD6的光學干涉濾光片有效保證了瑞利信號的濾除,堅固緊密的設計使得拉曼探頭更易實現拉曼光譜測量。

優勢
  • 拉曼光譜範圍更寬
  • 產品生產工藝保證一致性
  • 四種波長可供選擇,適合大多數拉曼測量應用
  • 優化設計,有效濾除瑞利信號,截止深度>OD6
規格
中心波長(nm) 532 785 830 1064
光譜範圍 176-4000 176-3500 176-2800 200-3000
工作方式 光纖輸出
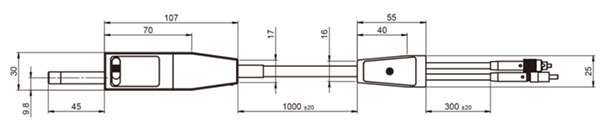
探頭尺寸(mm) 107x30x13
截止深度 OD6
探頭工作距離(mm) 7.5
發射端 芯徑105um, NA0.22 光纖接口 FC/PC 或SMA905
接收端 芯徑200um, NA0.22, 光纖接口SMA905
光纖長度(cm) (100+30)±0.2
工作溫度(℃) 10-30
工作濕度 0-75% RH

尺寸圖

側視圖

俯視圖

  • 地址:台北市松山區民權東路三段144號15樓1527室
  • 電話:(02)2755-1976
  • 傳真:(02)2755-1971
  • E-mail:sales@gieoptics.com